- Model: 275
- Vật liệu: Đồng/ Thép không gỉ
- Kích thước: DN15 – DN300
- Kết nối: Wafer
- Áp suất làm việc: PN16/ PN40
- Nhiệt độ hoạt động: -10 ~ 300°C
ĐẶT HÀNG SẢN PHẨM
Van một chiều Zetkama Model 275
Van một chiều Zetkama Model 275 là thiết bị công nghiệp được thiết kế với cấu trúc tối ưu và nhỏ gọn (compact settlement), phục vụ cho quá trình kiểm soát hướng di chuyển của lưu chất trong đường ống. Thiết bị này không yêu cầu bảo trì định kỳ (no maintenance) trong suốt vòng đời hoạt động và được đánh giá là thân thiện với môi trường.
Về tiêu chuẩn kỹ thuật, sản phẩm đã vượt qua các quy trình kiểm tra theo tiêu chuẩn EN 12266-1 cấp độ D. Khoảng cách lắp đặt giữa hai mặt bích (face-to-face dimension) đối với các kích thước từ DN15 đến DN100 tuân thủ nghiêm ngặt theo tiêu chuẩn EN 558 chuỗi 49.

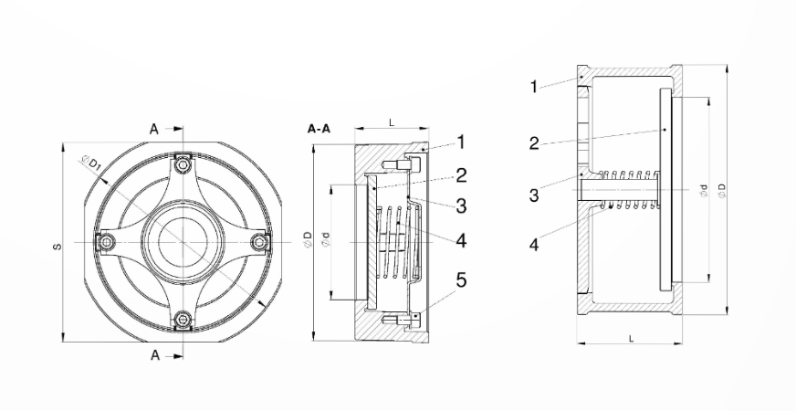
Phân loại Đặc tính Cấu tạo và Vật liệu
Nhằm đáp ứng độ bền cơ học và khả năng chống ăn mòn trong nhiều môi trường khác nhau, Van một chiều Zetkama Model 275 cung cấp hai tùy chọn vật liệu cốt yếu:
Phiên bản thân Đồng (Type H)
- Vật liệu thân van: Chế tạo từ hợp kim đồng thau mã CuZn39Pb2 hoặc CuZn36Pb2.
- Thông số quy cách: Hỗ trợ dải kích thước danh định từ DN15 đến DN100, vận hành ổn định tại cấp áp suất tiêu chuẩn PN16.
- Giới hạn nhiệt độ: Khả năng chịu nhiệt độ lưu chất tối đa lên tới 200°C.
- Cấu kiện nội bộ: Đĩa van (Disc) và lò xo (Spring) được gia công từ vật liệu thép không gỉ chuyên dụng (ví dụ mã X6CrNiMoTi17-12-2 đối với lò xo/đĩa van) để đảm bảo tuổi thọ và độ chính xác.
Phiên bản thân Thép không gỉ (Type I)
- Vật liệu thân van: Được đúc từ thép không gỉ chất lượng cao GX5CrNiMo19-11-2.
- Thông số quy cách: Dải kích thước hỗ trợ mở rộng từ DN15 đến DN300, chịu được cấp áp suất làm việc lớn lên đến PN40.
- Giới hạn nhiệt độ: Khả năng chịu nhiệt vượt trội, đạt ngưỡng tối đa 300°C.
- Cấu kiện nội bộ: Các bộ phận trọng yếu bao gồm đĩa van, lò xo và vòng định tâm (centring ring) đều được chế tạo đồng bộ từ thép không gỉ.

Xem thêm các sản phẩm: Van Một Chiều
Thông số Vận hành và Ứng dụng Công nghiệp
Hệ số lưu lượng (Kvs) và Áp suất mở
Hệ thống giám sát hiệu suất dòng chảy của van được xác định bởi hai thông số cơ bản:
- Hệ số Kvs: Mức Kvs (lưu lượng đo bằng m³/h) tỷ lệ thuận với đường kính van, bắt đầu từ 3.5 m³/h cho mẫu DN15 (bản thân đồng) và có thể đạt tới 732 m³/h đối với quy cách DN300 (bản inox).
- Áp suất mở (Opening pressure): Lực cản để mở đĩa van phụ thuộc vào kích thước đường ống và hướng dòng chảy định tuyến. Ở dòng chảy đi xuống (↓), áp suất mở duy trì mức thấp ổn định là 5.0 mbar cho bản thân đồng (DN15 – DN100). Đối với dòng chảy nằm ngang (←) hoặc dòng chảy đi lên (↑), áp suất mở sẽ dao động trong khoảng từ 7.5 mbar đến 33.0 mbar tùy thuộc vào cấu hình van.
Phạm vi Ứng dụng
Với các thông số chuẩn mực, Van một chiều Zetkama Model 275 đóng vai trò quan trọng trong việc vận hành các hệ thống đường ống chuyên dụng:
- Các ngành công nghiệp chính: Thiết bị được ứng dụng rộng rãi trong nhà máy sản xuất công nghiệp, công nghiệp đóng tàu, hệ thống cấp nhiệt (heating), kỹ thuật điện (power engineering), cho tới hệ thống điện lạnh và điều hòa không khí.
- Lưu chất tương thích: Phù hợp với đa dạng môi chất công nghiệp bao gồm Glycol, nước công nghiệp, dầu truyền nhiệt (diathermic oil), hơi nước (steam), khí nén (compressed air) và các lưu chất trung tính khác.
Xem thêm sản phẩm: Van một chiều Zetkama Model 275
Catalogue
Please wait while flipbook is loading. For more related info, FAQs and issues please refer to DearFlip WordPress Flipbook Plugin Help documentation.

